Autorevers-parts.ru
Иркутск
Воронежская 8 строение 5
89027675018
admin@autorevers-parts.ru

Объявление

У нас доступен новый телеграм бот!

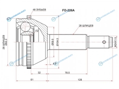
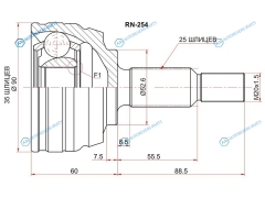
Шрусы приводов. Страница 184

Сортировка
Вид каталога

© 2025 AutoRevers

Яндекс.Метрика